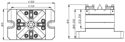
RHE5 80mm Square Pneumatic Chuck

Specification: 130x85x94 mm;
Material: Japan Chromium Steel
Hardness: 57-60HRC;
Pressure: Air Pressure 6 bar/kg
Clamping: 6000N
Process Treatment: Vaccum Heat Trealment & Pro-Longed Coolling
Surface nano-penetration treatment .
Accessories: Japan SMC,NSK Parts, PFPE Grease,Aluminum plug,
Airtac Swith, HASCO Spring,